

Desconexão com fusível trifásico de 60 A, projetada para operação CA 50 Hz, tensão nominal de até AC690V, combina as funções de fusível e chave, desconectando a energia em caso de sobrecarga ou curto-circuito. Quando a corrente excede o limite de segurança, o elemento fusível interno derrete, desconectando imediatamente o circuito, protegendo a fiação, equipamentos eletrônicos sensíveis e motores contra danos ou incêndio. Esta opção está em conformidade com os padrões GB/T14048.3 e IEC60947-3.
Parâmetros do produto
Dados técnicos do interruptor de desconexão
| Código | GRGLR-63 | GRGLR-125 | GRGLR-160 | GRGLR-250 | GRGLR-400 | GRGLR-630 | GRGLR-800 | GRGLR-1000 | GRGLR-1250 | ||
| Corrente de aquecimento convencional (A) | 63 | 125 | 160 | 250 | 400 | 630 | 800 | 1000 | 1250 | ||
| Tensão nominal de isolamento (V) | 800 | 800 | 800 | 800 | 800 | 800 | 800 | 800 | 800 | ||
| Tensão nominal suportável de impulso (kV) | 4 | 4 | 4 | 4 | 8 | 8 | 8 | 8 | 8 | ||
| Corrente nominal de trabalho (A) | 380V | 63 | 125 | 160 | 250 | 400 | 630 | 800 | 1000 | 1250 | |
| 660V | 63 | 100 | 125 | 200 | 315 | 500 | 630 | 800 | 1000 | ||
| Capacidade nominal de fechamento e interrupção (A) 1,05Ue |
AC660V, AC-23B COSΦ:0,35 |
Conectar | 630 | 1250 | 1600 | 2500 | 4000 | 6300 | 8000 | 10000 | 12500 |
|
AC660V, AC-23B COSΦ:0,35 |
Desconectar | 504 | 1000 | 1280 | 2000 | 3200 | 5040 | 6400 | 8000 | 10000 | |
| Vida mecânica (tempos) | 1400 | 1400 | 1400 | 1400 | 800 | 800 | 500 | 500 | 500 | ||
| Vida elétrica (vezes) | 200 | 200 | 200 | 200 | 200 | 200 | 100 | 100 | 100 | ||
| Força operacional (N) | 7.5 | 16 | 16 | 16 | 30 | 30 | 40 | 40 | 40 | ||
| Corrente nominal-de curto-circuito (kA) | 50 | 50 | 50 | 50 | 50 | 50 | 100 | 100 | 100 | ||
| Grau de poluição | 3 | 3 | 3 | 3 | 3 | 3 | 3 | 3 | 3 | ||
Parâmetros técnicos do fusível equipado
| Corrente de aquecimento convencional (A) | Fusível equipado | Corrente nominal do fusível (A) |
| 63 | NT00C | 4; 6; 10; 16; 20; 25; 32; 40; 50; 63 |
| 125 | NT00 | 10; 16; 20; 25; 32; 40; 50; 63; 125 |
| 160 | NT00 | 10; 16; 25; 32; 40; 50; 63; 80; 100; 125; 160 |
| 250 | NT1 | 63; 80; 100; 125; 160; 200; 250 |
| 400 | NT2 | 160; 200; 250; 315; 400 |
| 630 | NT3 | 250; 315; 400; 500; 630 |
| 800 | NT4 | 800 |
| 1000 | NT4 | 800; 1000 |
| 1250 | NT4 | 800; 1000; 1250 |
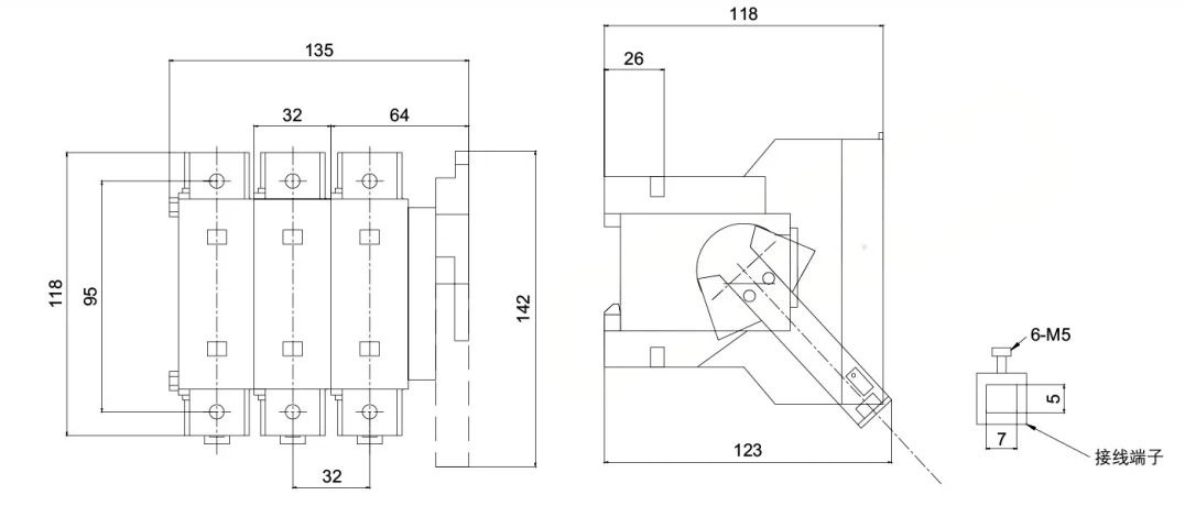
Dimensão
Operação lateral

Operação Frontal

Condição Ambiental
1. Temperatura do ar ambiente: não superior a +40 graus, não inferior a -5 graus.
2. Altitude de instalação: não superior a 2.000 m.
3. Nível de poluição ambiental: Nível 3.
4. Umidade: A uma temperatura máxima de +40 grau, a umidade relativa não deve exceder 50%. Uma umidade relativa mais alta é permitida em temperaturas mais baixas
temperaturas, por exemplo, até 90% a 20 graus. Devem ser tomadas medidas especiais para evitar condensação ocasional causada por
flutuações de temperatura.
5. O interruptor deve ser instalado em uma área livre de tremores, impactos, vibrações, chuva ou neve significativos. O local de instalação também deve ser livre
de meios explosivos e gases e poeira que possam corroer o metal ou danificar o isolamento.
Características estruturais

1. Um mecanismo acelerador com liberação instantânea de energia-carregada por mola permite conexão e desconexão rápidas, independentemente da velocidade do cabo, melhorando a capacidade de extinção de arco.
2. O invólucro, construído com composto de moldagem reforçado com fibra de vidro de poliéster insaturado-(DMC), oferece excelente resistência à combustão lenta, propriedades dielétricas e segurança operacional.
3. Os contatos de interrupção múltipla paralelos são autolimpantes-e fornecem proteção confiável contra sobrecorrente e curto-circuito.
4. Garante a conexão e desconexão do circuito sob carga.
5. Substituição segura, conveniente e rápida do fusível.
Notas de instalação
Os parâmetros de contato da chave são definidos pelo fabricante e não devem ser ajustados durante o uso.
Ao conectar o barramento ao produto, certifique-se de que o espaçamento dos furos do barramento seja consistente com os furos da fiação do produto para evitar danos ao
produto devido a forças externas.
Instruções para pedidos
1.Precisamos obter o nome do produto, modelo, corrente nominal, número de pólos e quantidade dos clientes.
2.As especificações e dimensões estão sujeitas a alterações sem aviso prévio devido a melhorias no produto. A entrega real do produto prevalecerá.
Nosso serviço
Equipe profissional de controle de qualidade para garantir melhor o seu produto.
Verifique a matéria-prima antes de iniciar a produção.
Inspeção aleatória durante o processamento.
Inspeção 100% antes do envio.
Perguntas frequentes
P: Como fazer se não precisar de fusível interno?
R: Por favor, informe-nos antes de citar e sugeriremos um tipo mais adequado para você.
P: Você poderia enviar as amostras para mim?
R: Sim, poderíamos enviar amostras para teste primeiro.
P: Você poderia colocar meu próprio logotipo nos produtos?
R: Sim, envie-nos o design do seu logotipo e informe-nos antes de cotar.
P: Quanto tempo dura a garantia do produto?
R: Garantia de um-ano.
Tag: Desconexão com fusível trifásico de 60 A, China Desconexão com fusível trifásico de 60 A, fabricantes, fornecedores, fábrica

